PelhamPumps
Stuart Turner Showermate positive 2.6 Bar Shower Pump 46431
Stuart Turner Showermate positive 2.6 Bar Shower Pump 46431
Couldn't load pickup availability
Designed and manufactured to the highest standards, the Stuart Turner showermate range is ideal for boosting water pressure in most home applications.
The Stuart Turner showermate is a positive head shower booster pump used to increase water pressure to a gravity fed hot water system.
It can be fitted in a positive head situation where the water storage is supplied from above the pump (such as from a loft tank).
PelhamPumps supply these refurbished pumps fully serviced and tested.
Will it fit?
Stuart turner produced similar style and size showermate pumps from around 2000 to 2021- if your pump has a black motor and is 2.6 bar, then this will be a direct replacement. It will also replace the showermate eco range although note that the pump is slightly wider but is of sturdier construction.
Complete with:
Pump
4 x Genuine Stuart Turner push-fit 15mm flexible hoses with isolation valves
Rubber feet for vibration-free noise isolation
User manual
60 day hassle-free warranty
Product Details
- Brand: Stuart Turner
- Product Code: 46431
- Model: Monsoon 2.6 bar positive
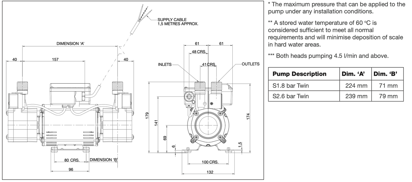
- Dimensions: see image
- Electrical Rating: Continuous
- Voltage (V): 230
- Fuse: 5A
- Closed Valve Pressure (bar): 2.6
- Minimum Pipe Size: 15mm (can feed to 22mm household pipework with adaptor- not included)
- Low noise design - quiet induction motor and minimal turbulence pump head
- Continuously rated
- Supplied with 15mm steel hoses
- Fitted with long-life silicon carbide seals
- Twin long-life impellers
- WRAS Approved
- IPX2 water ingress protection
- Regenerative impeller designed to overcome air pockets
- Premium brass pump head and impeller
- Dry run protection built in








