PelhamPumps
Stuart Turner Monsoon 2 Bar Universal Single Pump Negative(black) 46498
Stuart Turner Monsoon 2 Bar Universal Single Pump Negative(black) 46498
Couldn't load pickup availability
Stuart Turner Monsoon 2 Bar Single Universal Pump
Designed and manufactured to the highest standards, the Stuart Turner Monsoon range is constructed from precision machined brass impellers and brass body stampings.
The Stuart Turner Monsoon 46498 is a universal head shower booster pump used to increase water pressure to a gravity fed hot water system. It can be fitted in a positive or negative head situation so no worrying about which to have (for example the water tank can be in the loft or alongside the pump 0m above it and it will work effectively, with no pulsing).
PelhamPumps supply these refurbished pumps fully serviced and tested, complete with new seals and new non return valves all ready to fit.
Will it fit?
Stuart turner produced the same style and size monsoon pumps from around 2008 to the present day- if your pump has a black motor and is 3 bar, then this will be a direct replacement.
Complete with:
Pump
2 x Genuine Stuart Turner push-fit 22mm flexible hoses with isolation valves
Rubber feet for vibration-free noise isolation
User manual
60 day hassle-free warranty
Product Details
- Brand: Stuart Turner
- Product Code: 46498
- Model: Monsoon Single 2 bar universal
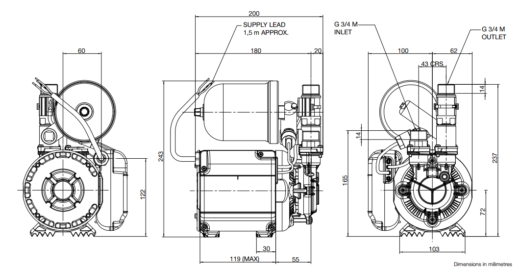
- Dimensions: see image
- Electrical Rating: Continuous
- Voltage (V): 230
- Fuse: 5A
- Closed Valve Pressure (bar): 2.0
- Minimum Pipe Size: 22mm (can feed to 15mm household pipework with adaptor- not included)
- Low noise design - quiet induction motor and minimal turbulence pump head
- Continuously rated
- Supplied with 22mm steel hoses
- Fitted with long-life silicon carbide seals
- Twin brass long-life impellers
- WRAS Approved
- IPX2 water ingress protection
- Regenerative impeller designed to overcome air pockets
- Premium brass pump head and impeller
- Dry run protection built in








